New PCB design: UV sensor board for the Open Colorimeter
Open hardware KiCad design files for the ams-OSRAM AS7311 Spectral UVA/B/C sensor
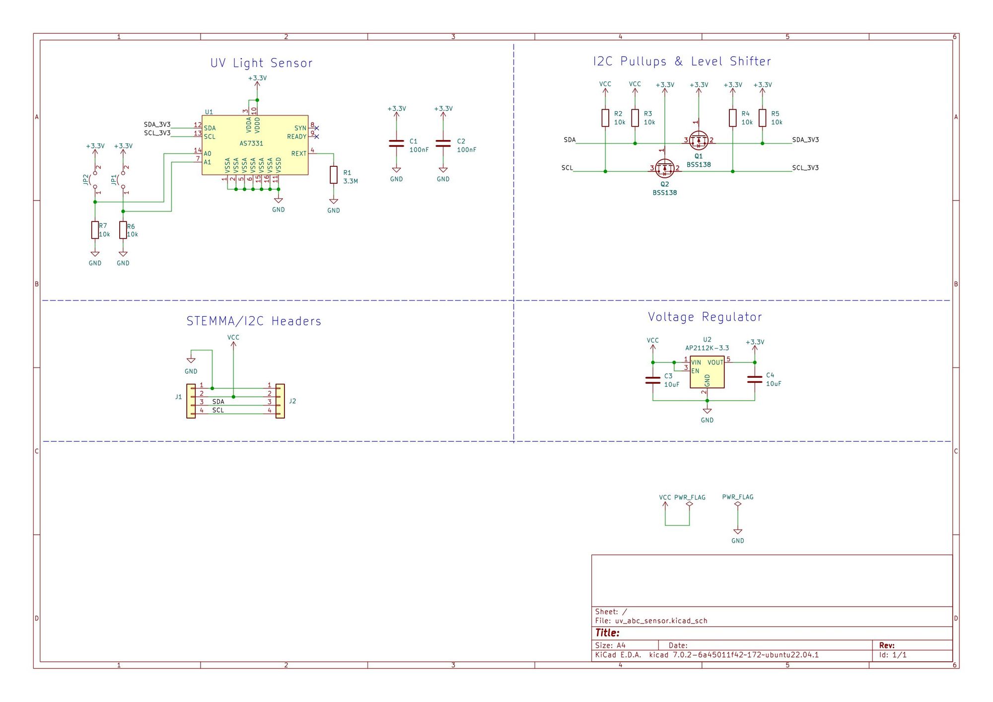
In this post we are sharing a new UV light sensor board design for the Open Colorimeter. The UV sensor we are using in this design is the ams-OSRAM AS7331 Spectral UVA/B/C Sensor. The AS7331 sensor provides a low noise all in one solution for measuring UV light between 230 and 430nm. It has a huge dynamic range and three separate channels for UVA, UVB and UVC optical radiation.
Some additional features:
- The sensor communicates via an I2C interface and has 4 adjustable I2C addresses
- The responsivity of the sensor can be set using Gain (12 steps), conversion time (15 steps) and internal clock frequency (4 steps). Each of these values is adjusted by a factor of two for each step
- It has a compatible form factor for our Open Colorimeter
- No extra circuitry is required
- The sensor is in the right price-range ($11 per sensor) and is available at online electronics vendors such as Digikey and Mouser
All of these features were taken into consideration in our selection of the AS7331 sensor as a UV sensor board for the Open Colorimeter.



Applications of UV Spectroscopy
When paired with a UV LED, the UV sensor can be used in UV spectroscopy to quantify or monitor compounds that absorb in the UV range. For example DNA Quantitation by absorbance at 260nm or nitrate and nitrite measurements in water. UV spectroscopy requires using a quartz cuvette or UV-transparent disposable cuvettes.

PCB Design
The PCB was designed in KiCad and the design files are available under open source licenses in out Github repository. An image and link to download the schematic are below:

PCB Layout
We designed the PCB to be compatible with the Open Colorimeter so it can be easily swapped out to replace the current Adafruit TSL2591 visible light sensor with the UV version. We used the same 1.0 x 0.7 inch PCB dimensions, same mounting holes, STEMMA QT connectors and light sensor location. The board can be operated from 3.3-5V and contains an on-board 3.3V regulator. The device IC2 address can be adjusted via 2 jumper pads located on the back side of the PCB (in case of address conflict).



Comments ()